Síguenos
Productos · Productos · Productos · Productos · Productos · Productos · Productos · Productos · Productos · Productos · Productos · Productos · Productos · Productos · Productos · Productos ·

Tornillo de bola de la serie SFY de plomo grande

Inicio · Productos · Tornillo de bola · Tornillo de bola de la serie SFY de plomo grande
Tornillo de bola de la serie SFY de plomo grande

Tornillo de bola de la serie SFY de plomo grande

El husillo de bolas de la serie SFY de plomo grande es un husillo de bolas con un cable significativamente más grande que los valores estándar. Su filosofía de diseño es lograr velocidades de movimiento lineal más altas y una respuesta de aceleración más rápida proporcionando un desplazamiento lineal más largo por revolución a la misma velocidad del motor. Es un componente energético fundamental para mejorar la eficiencia general de producción de líneas de producción automatizadas, equipos de manipulación de alta velocidad y mecanismos de alimentación rápida.

Tecnología

El valor central de la serie SFY radica en su rendimiento de velocidad superior y sus capacidades de transmisión eficientes, que contrastan marcadamente con los tornillos conductores convencionales en términos de objetivos de aplicación.

Dimensiones características Serie SFY Tipo de cable grande Plomo estándar/tipo estándar (para comparación)
Ventajas principales Permite el movimiento lineal de alta velocidad, mejorando la eficiencia de la producción. Ofrece transmisión de alta precisión y alta rigidez.
Velocidad de funcionamiento Excepcionalmente alto. A velocidades de rotación de entrada equivalentes, la velocidad lineal aumenta exponencialmente. Velocidad estándar, cumpliendo requisitos generales.
Eficiencia de la transmisión Alto. Sin embargo, hay que tener en cuenta que un mayor plomo reduce ligeramente la eficiencia mecánica teórica (requiere un mayor par para impulsar cargas equivalentes). Alto.
Precisión de posicionamiento (absoluta) Dentro del mismo grado de precisión, el valor absoluto del error de viaje de una sola revolución es relativamente grande. Más adecuado para aplicaciones que exigen una alta precisión de posicionamiento repetido pero requisitos de precisión de recorrido absoluta relativamente relajados. Alta precisión absoluta de posicionamiento.
Capacidad de carga axial Relativamente bajo. Debido al mayor ángulo de avance, parte de la fuerza axial se convierte en fuerza radial, lo que requiere verificar la capacidad de empuje y la vida útil. Fuerte capacidad de carga axial.
Capacidad de autobloqueo No tiene capacidad de autobloqueo; requiere un freno para evitar la caída de carga durante un corte de energía. Los cables pequeños pueden poseer cierta capacidad de autobloqueo.

Principales parámetros técnicos y diseño
Definición y selección de cables: Los modelos con un valor de cables mayor a 1/3 o incluso 1/2 del diámetro del eje del tornillo generalmente se clasifican como tornillos de bolas de cables grandes. Por ejemplo, para un tornillo de bola de Φ20 mm, un cable mayor a 10 mm puede considerarse un cable grande.
Velocidad y combinación de motores: su diseño tiene como objetivo reducir la dependencia de altas velocidades del motor. El movimiento a alta velocidad se puede lograr con motores de velocidad normales, lo que reduce los requisitos para el motor y el controlador, haciéndolo más rentable.
Consideraciones de precisión: La precisión estándar suele ser de grado C7. Al seleccionar un modelo, el enfoque debe estar en la precisión de posicionamiento repetitivo en lugar de generar un error acumulativo, ya que sus características de alta velocidad a menudo se utilizan para un manejo rápido "punto a punto", no para un corte de ultraprecisión.
Características estructurales: El diseño de la tuerca a menudo utiliza varias filas de rodamientos de bolas para aumentar la cantidad de bolas de carga, compensando la posible disminución en la capacidad de carga debido al aumento de plomo.

Aplicaciones
El tornillo de bola de la serie SFY es una opción ideal para las siguientes aplicaciones priorizadas por velocidad:
Automatización y manipulación de alta velocidad: transferencia rápida de material en líneas de producción automatizadas, ejes de agarre de robots de alta velocidad (como robots Delta) y mecanismos de elevación de carros AGV.
Mecanismos de alimentación rápida: ejes de movimiento rápido (G00) de máquinas herramienta CNC, movimiento en vacío de máquinas de corte por láser y ejes de escaneo de equipos de prueba en la industria 3C.
Equipos especiales: Maquinaria de embalaje de alta velocidad, mecanismos de alimentación de maquinaria de impresión y equipos de elevación de etapas.
Cualquier aplicación que requiera un tiempo de inactividad reducido, un tiempo de ciclo del equipo mejorado y una mayor eficiencia de producción.

El husillo de bolas de la serie Big Lead SFY es un "acelerador" de la velocidad del equipo. A través de una inteligente conversión del diseño mecánico, transforma eficientemente el movimiento de rotación en movimiento lineal de alta velocidad, lo que permite directamente que los equipos logren ciclos de producción más rápidos. Elegir la serie SFY significa seleccionar "velocidad" y "eficiencia" como ventajas competitivas fundamentales para su equipo en la feroz competencia del mercado actual.

Parámetros

Plomo grande
Modelo No.
d Yo Da Dimensión Clasificación de carga Rigidez Peso
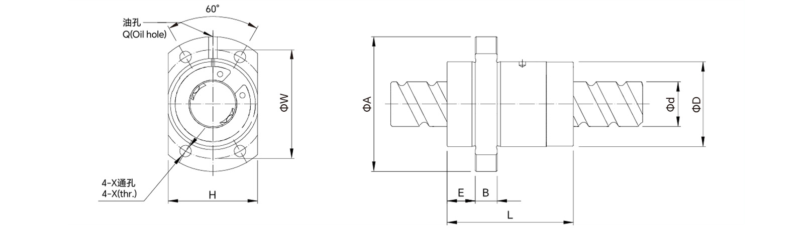
D A E B L W H X Q n Ca(kgf) Coa(kgf) Kgf/um Kg
SFY1616-3.6 16 16 2.778 32 53 10.1 10 45 42 34 4.5 M6 1,8x2 1073 2551 31 0.238
SFY2020-3.6 20 20 3.175 39 62 13 10 52 50 41 5.5 M6 1,8x2 1387 3515 37 0.38
SFY2525-3.6 25 25 3.969 47 74 15 12 64 60 49 6.6 M6 1,8x2 2074 5494 45 0.652
SFY3232-3.6 32 32 4.762 58 92 17 12 78 74 60 9 M6 1,8x2 3021 8690 58 1.168
SFY4040-3.6 40 40 6.35 73 114 19.5 15 99 93 75 11 M6 1,8x2 4831 14062 70 2.288
SFY5050-3.6 50 50 7.938 90 135 21.5 20 117 112 92 14 M6 1,8x2 7220 21974 86 4.12

Doble plomo
Modelo No.
d Yo Da Dimensión Clasificación de carga Rigidez Peso
D A E B L W H X Q n Ca(kgf) Coa(kgf) Kgf/um Kg
SFY1632-1.6 16 32 2.778 32 53 10.1 10 42.5 42 34 4.5 M6 0,8x2 493 1116 11 0.222
SFY2040-1.6 20 40 3.175 39 62 13 10 48 50 41 5.5 M6 0,8x2 653 1597 15 0.348
SFY2550-1,6 25 50 3.969 47 74 15 12 58 60 49 6.6 M6 0,8x2 976 2495 19 0.596
SFY3264-1.6 32 64 4.762 58 92 17 12 71 74 60 9 M6 0,8x2 1374 3571 22 1.066
SFY4080-1.6 40 80 6.35 73 114 19.5 15 90 93 75 11 M6 0,8x2 2273 6387 29 2.096
SFY50100-1,6 50 100 7.938 90 135 21.5 20 111 112 92 14 M6 0,8x2 3398 9980 35 3.818

Dibujos


Admite selección de combinación de productos