Síguenos
Productos · Productos · Productos · Productos · Productos · Productos · Productos · Productos · Productos · Productos · Productos · Productos · Productos · Productos · Productos · Productos ·

Tornillo de bola tipo mini serie SFK

Inicio · Productos · Tornillo de bola · Tornillo de bola tipo mini serie SFK
Tornillo de bola tipo mini serie SFK

Tornillo de bola tipo mini serie SFK

El husillo de bolas de la serie SFK tipo Mini es un componente de transmisión de precisión con un diámetro de eje extremadamente pequeño y una estructura muy compacta. Hereda las excelentes características de los tornillos de bola, como la alta precisión y la alta eficiencia, y los condensa en un tamaño miniatura, proporcionando un potente "corazón de micropotencia" para dispositivos de automatización a pequeña escala, instrumentos de precisión, microrobots y electrónica de consumo.

Tecnología

El valor central de la serie SFK reside en "conducir el mundo de la precisión en milímetros" Se diferencia fundamentalmente de otras series en términos de tamaño y rendimiento.

Dimensiones características Serie SFK en miniatura Serie compacta estándar (SFU1204) Tipo directo (serie SCA)
Ventajas principales Lograr una miniaturización extrema y un diseño liviano para una transmisión de precisión dentro de microespacios. Compacto, económico y versátil. Estructura compacta, instalación flexible.
Rango de tamaño Los diámetros de los ejes suelen ser de ≤6 mm (p. ej., 3 mm, 4 mm, 6 mm), con pasos a menudo de 1 mm o menos, lo que da como resultado dimensiones generales excepcionalmente compactas y un peso mínimo. El diámetro del eje suele ser de ≥12 mm y se clasifica como productos estándar compactos. Amplia gama de tamaños, aunque la miniaturización no es su fuerte.
Eficiencia de la transmisión Alta eficiencia, aunque las tolerancias de fabricación afectan significativamente el rendimiento debido a las dimensiones a microescala. Alto. Alto.
Capacidad de carga Capacidad de carga relativamente baja, adecuada para cargas ligeras (normalmente de varios a decenas de newtons). Moderado, adecuado para cargas ligeras rutinarias. Depende de las especificaciones, amplia gama.
Desafíos de precisión La fabricación presenta desafíos extremos y requiere un mecanizado de ultraprecisión para garantizar la calidad de la pista de rodadura, una circulación suave de las bolas y una distribución uniforme de la precarga. Fabricado según tolerancias estándar con procesos probados. Fabricado con precisión estándar.
Campos de aplicación Las aplicaciones incluyen microrobótica, alineación óptica de precisión, equipos de catéteres médicos, válvulas microdispensadoras y modelado de alta gama. Equipos, instrumentación y medición compactos y automatizados. Equipos diversos con espacio limitado.

Principales parámetros técnicos y diseño
Fabricación de precisión: El rectificado de la pista de rodadura del eje del husillo de bolas, el procesamiento de la tuerca y el montaje de pequeñas bolas de acero (con diámetros posiblemente inferiores a 1 mm) requieren una precisión de fabricación extremadamente alta.
Innovación estructural: puede emplear circulación de tapa terminal o recirculadores en miniatura especiales para acomodar el espacio interno extremadamente pequeño.
Materiales y tratamiento térmico: A menudo se utiliza acero aleado de alta resistencia y se somete a un tratamiento térmico especial para garantizar suficiente resistencia y resistencia al desgaste en tamaños miniatura.
Precisión y rendimiento: disponible en grados de precisión C5, C7 e incluso superiores. Debido a su plomo extremadamente pequeño, a menudo puede lograr un control de desplazamiento de precisión submicrónico.
Especificaciones y selección: Ofrece diámetros de eje extremadamente pequeños, desde φ3 mm hasta φ10 mm, con cables generalmente de 0,5 mm, 1 mm, 2 mm, etc. Los usuarios deben calcular cuidadosamente la carga, la velocidad y la vida útil.

Aplicaciones
El husillo de bolas de la serie SFK tipo Mini es la fuente de energía ideal para los siguientes equipos de última generación miniaturizados y ligeros:
Microautomatización y Robótica: Brazos microrobóticos de escritorio, plataformas de micromovimiento en equipos de embalaje de chips, accionamientos conjuntos para microrobots biónicos.
Óptica e instrumentos de precisión: Equipos de alineación de fibra óptica, ejes de microajuste para máquinas de grabado láser, mecanismos automáticos de enfoque para microscopios.
Equipos médicos y de laboratorio: manipuladores celulares, secuenciadores de genes, mecanismos de alimentación de precisión para chips microfluídicos, efectores finales finos para robots quirúrgicos.
Productos de consumo y modelos de alta gama: elevación de boquillas de impresora 3D de alta precisión, deslizadores de cámara profesionales, control de timón para modelos de aviones de alta gama.

El husillo de bolas de la serie SFK tipo Mini es un representante destacado del avance de la ingeniería de precisión en el ámbito microscópico. Rompe las limitaciones de que "la transmisión eficiente y precisa es difícil de lograr en espacios pequeños", condensando la esencia de la tecnología de husillo de bolas en un diseño compacto. Elegir la serie SFK significa equipar sus productos innovadores miniaturizados con componentes de movimiento central altamente confiables y de calidad profesional, lo cual es clave para crear competitividad diferenciada y una experiencia de producto superior.

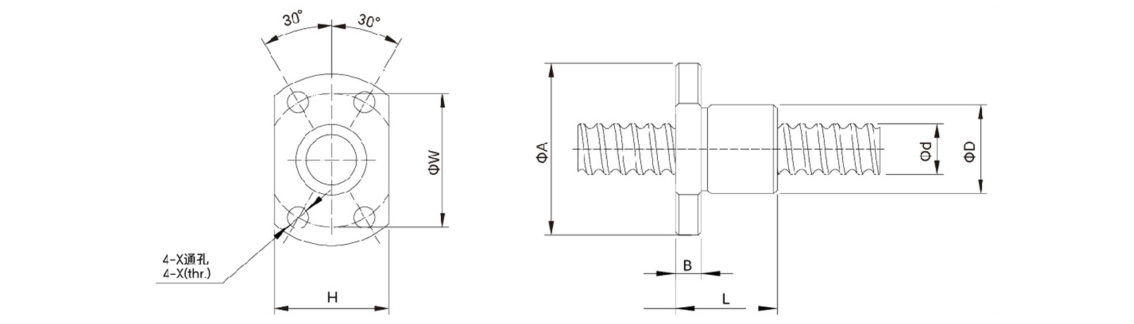
Parámetros

Modelo No. d Yo Da Dimensión Clasificación de carga Rigidez Peso
D A B L W H X Y Z Q n Ca(kgf) Coa(kgf) Kgf/um Kg
SFK0401 4 1 0.8 10 20 3 12 15 14 2.9 - - - 1x2 64 97 5 0.024
SFK0601 6 1 0.8 12 24 3.5 15 18 16 3.4 - - - 1x3 111 224 9 0.018
SFK0801 8 1 0.8 14 27 4 16 21 18 3.4 - - - 1x4 161 403 14 0.027
SFK0802 2 1.2 14 27 4 16 21 18 3.4 - - - 1x3 222 458 13 0.026
SFK082.5 2.5 1.2 16 29 4 26 23 20 3.4 - - - 1x3 221 457 13 0.038
SFK1002 10 2 1.2 18 35 5 28 27 22 4.5 - - - 1x3 243 569 15 0.056
SFK1004 4 2 26 46 10 34 36 28 4.5 8 4.5 M6 1x3 468 905 17 0.068
SFK1202 12 2 1.2 20 37 5 28 29 24 4.5 - - - 1x4 334 906 22 0.062
SFK1402 14 2 1.2 21 40 6 23 31 26 5.5 - - - 1x4 354 1053 24 0.081
SFK1602 16 2 1.2 25 43 10 40 35 29 5.5 - - M6 1x4 373 1200 26 0.236

Dibujos


Admite selección de combinación de productos