Síguenos
Productos · Productos · Productos · Productos · Productos · Productos · Productos · Productos · Productos · Productos · Productos · Productos · Productos · Productos · Productos · Productos ·

Acoplamiento de eje flexible de aluminio y ciruela serie MH

Hogar · Productos · Acoplamiento / Carcasa de tuerca · Acoplamiento de eje flexible de aluminio y ciruela serie MH
Acoplamiento de eje flexible de aluminio y ciruela serie MH

Acoplamiento de eje flexible de aluminio y ciruela serie MH

El acoplamiento de eje flexible de ciruela de la serie MH cuenta con un cuerpo principal mecanizado con precisión a partir de aleación de aluminio de alta resistencia, con una almohadilla elástica en forma de ciruela de poliuretano (PU) incrustada en el centro. Utiliza la deformación por compresión del elastómero para compensar las desviaciones radiales, angulares y axiales entre los dos ejes y para amortiguar las cargas de impacto. Su estructura simple, funcionamiento sin mantenimiento y facilidad de instalación lo hacen ampliamente utilizado en conexiones de transmisión de precisión, como servomotores, motores paso a paso, tornillos de bolas y codificadores.

Tecnología

El valor principal del acoplamiento de eje flexible Plum de la serie MH radica en su excelente rendimiento general y su alta rentabilidad. La siguiente es una comparación con los acoplamientos comunes.

Dimensiones de rendimiento Acoplamientos de estrella de aluminio de la serie MH Acoplamiento rígido Acoplamientos de diafragma metálico
Funciones principales Compensa la desalineación, amortigua las vibraciones y proporciona aislamiento eléctrico; adecuado para transmisión de energía de precisión general. Conexión rígida, juego cero, lo que requiere una precisión de alineación extremadamente alta. Alto torque, juego cero, compensación de desalineación de alta precisión.
Capacidad de compensación de desviaciones Excelente. Puede compensar simultáneamente la desalineación radial, angular y axial. Sin compensación; los errores de instalación provocarán daños en los cojinetes y ejes. Excelente. Particularmente eficaz para compensar grandes desalineaciones angulares y axiales.
Rigidez torsional Moderado, con elasticidad. Puede filtrar algunas vibraciones y golpes, pero tiene un ligero juego de torsión. Rigidez absoluta y extremadamente alta. Extremadamente alto, sin reacción alguna.
Absorción de impactos y amortiguación de vibraciones Bien. El elastómero absorbe eficazmente las vibraciones y las cargas de choque, protegiendo el equipo en ambos extremos. Ninguno; las vibraciones se transmiten directamente. Promedio. Se basa principalmente en la deformación del diafragma metálico para la compensación, con una capacidad limitada de absorción de impactos.
Aislamiento eléctrico Sí. El elastómero de poliuretano ofrece buenas propiedades de aislamiento y bloquea las corrientes del eje. No. Generalmente no (conexión metálica).
Mantenimiento y Costos Sin mantenimiento y de bajo coste; sólo es necesario sustituir las cuñas cuando el elastómero se desgasta. Sin mantenimiento, bajo coste. Sin mantenimiento, alto costo.

Principales parámetros técnicos y selección

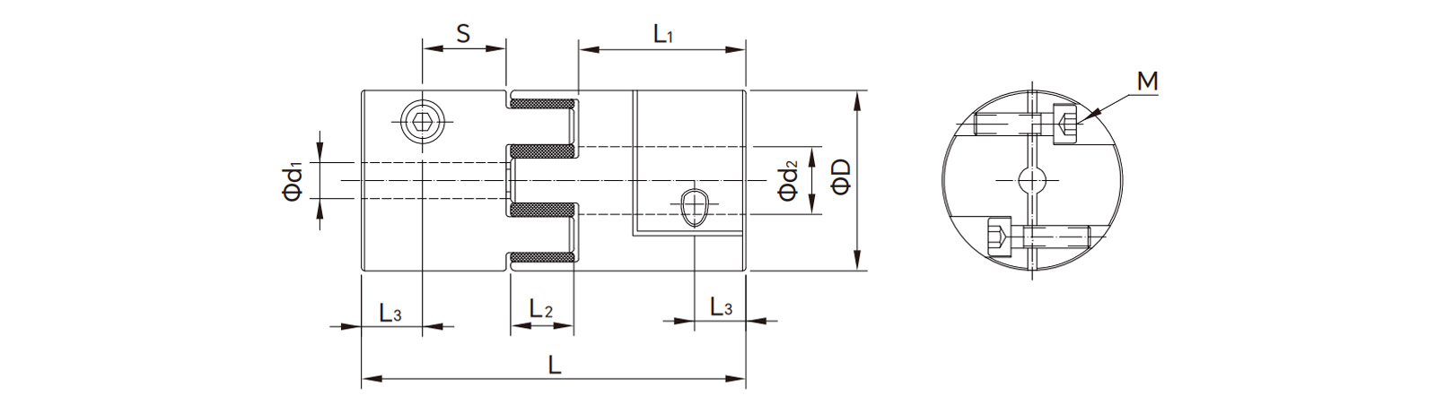
Estructura y Material:
Cuerpo principal: aleación de aluminio 6061-T6, ligero y suficientemente resistente.
Elastómero: Almohadilla en forma de ciruela de poliuretano (PU), disponible en varias durezas (p. ej., Shore A 92°, 98°). Una mayor dureza da como resultado una mayor transmisión de par pero una capacidad de compensación ligeramente reducida.

Parámetros clave de rendimiento:
Par nominal: Cubre un amplio rango desde unas pocas décimas de Newton-metro hasta cientos de Newton-metros.
Velocidad máxima: Generalmente alta, cumpliendo con los requisitos de velocidad de la mayoría de los servomotores.
Capacidad de compensación: desviación radial típicamente ≤0,2 mm, desviación angular ≤1°, desviación axial ±0,5 mm (los valores específicos dependen del modelo).
Métodos de montaje: Proporciona dos métodos principales: fijación con tornillo de fijación (tipo sujeción) y fijación con chavetero de brida. El tipo de sujeción se utiliza más comúnmente y ofrece una fácil instalación y sin juego.
Puntos de selección: La selección se basa principalmente en el par del lado impulsor (teniendo en cuenta el factor de seguridad), la desviación entre los dos ejes, las dimensiones del orificio y de la ranura y las limitaciones de espacio.

Aplicaciones
Debido a su excelente rendimiento general y rentabilidad, el acoplamiento de eje flexible de ciruela de la serie MH es adecuado para casi todos los campos generales de automatización industrial:
Máquinas herramienta CNC y equipos láser: Conexión de servomotores y tornillos de bolas.
Maquinaria de embalaje e impresión: Conexión de transmisión de rodillos transportadores y rodillos de impresión.
Maquinaria textil y alimentaria: Transmisión de carga ligera que requiere amortiguación y compensación de desviaciones.
Robots y líneas de producción automatizadas: accionamientos de juntas, accionamientos de cintas transportadoras, etc.
Conexión de codificadores y sensores: Aprovechando sus características de aislamiento y baja inercia. El acoplamiento de eje flexible Plum de la serie MH tiene un rendimiento versátil y completo en el diseño de transmisiones automatizadas. Con su estructura simple, función confiable y costo económico, resuelve los problemas de conexión del eje, compensación de desalineación y aislamiento de vibraciones en la mayoría de las aplicaciones. Elegir la serie MH significa seleccionar una solución de conexión confiable, sin preocupaciones y rentable para su equipo, proporcionando un componente fundamental para un funcionamiento estable.

Parámetros

Modelo No.

d1/d2

tamaño de poro

D
(mm)
L
(mm)
L1
(mm)
L2
(mm)
L3
(mm)
S
(mm)
Tamaño del tornillo
M
Par de apriete
(N·m)
Par nominal
(N·m)
Par máximo
(N·m)
Velocidad máxima
(RPM)
Momento de inercia
(kg·m²)
Rigidez torsional estática
(N·m/rad)
Excentricidad permitida
(mm)
Desviación permitida
(°)
Runout axial
(mm)
Min Máximo
MH-D14L22 3 6.35 14 22 6.5 9 3 3.5 M2,5 1 1.5 3 19000 1,0*10-7 46 0.02 1 ±0,6
MH-D20L30 3 10 20 30 10 10 3.5 6.5 M3 1.5 2.8 5.6 17000 1,0*10-6 55 0.02 1 ±0,6
MH-D25L30 4 12 25 30 10 10 5 5 M3 1.5 6 12 16000 5,2*10-6 63 0.02 1 ±0,6
MH-D25L35 4 12 25 35 12.5 10 5 7.5 M3 1.5 6 12 16000 5,2*10-6 63 0.02 1 ±0,6
MH-D30L35 5 16 30 35 11.5 12 5 6.5 M4 2.5 6.5 13 15000 6,2*10-6 72 0.02 1 ±0,6
MH-D30L42 5 16 30 42 15 12 5 10 M4 2.5 6.5 13 15000 6,2*10-6 72 0.02 1 ±0,6
MH-D30L50 5 16 30 50 20 12 5 15 M4 2.5 6.5 13 15000 6,2*10-6 72 0.02 1 ±0,6
MH-D35L50 5 19 35 50 19 12 5 14 M4 2.5 15 30 14000 8,1*10-6 200 0.02 1 ±0,6
MH-D40L40 5 20 40 40 13 14 5 8 M4 2.5 32 64 13000 8,1*10-6 260 0.02 1 ±0,6
MH-D40L50 5 22 40 50 16.5 14 8 8.5 M5 5 32 64 13000 3,8*10-5 450 0.02 1 ±0,6
MH-D40L55 5 22 40 55 19.5 14 9 10.5 M6 8 32 64 13000 3,8*10-5 500 0.02 1 ±0,6
MH-D40L66 5 22 40 66 26 14 9 17 M6 8 32 64 13000 3,8*10-5 550 0.02 1 ±0,6
MH-D40L75 5 22 40 75 26 14 9 24 M6 8 32 64 13000 3,8*10-5 600 0.02 1 ±0,6
MH-D40L85 5 22 40 85 35 15 9 24 M6 8 32 64 13000 3,9*10-5 650 0.02 1 ±0,6
MH-D45L55 6 25 45 55 20.5 14 9 11.5 M6 8 40 80 12000 5,9*10-5 750 0.02 1 ±0,6
MH-D45L66 6 25 45 66 26 14 9 17 M6 8 40 80 12000 5,9*10-5 800 0.02 1 ±0,6
MH-D45L75 6 25 45 75 26 14 9 26 M6 8 40 80 12000 6,9*10-5 825 0.02 1 ±0,6
MH-D45L80 6 25 45 80 32.5 15 9 23.5 M6 8 40 80 12000 6,9*10-5 850 0.02 1 ±0,6
MH-D45L85 6 25 45 85 35 15 9 26 M6 8 40 80 12000 6,9*10-5 850 0.02 1 ±0,6
MH-D55L66 8 30 55 66 25 16 13 12 M8 8 46 92 10500 1,8*10-3 1400 0.02 1 ±0,6
MH-D55L78 8 30 55 78 31 16 13 18 M8 20 46 92 10500 1,8*10-3 1500 0.02 1 ±0,6
MH-D55L95 8 30 55 95 31 16 13 33.5 M8 20 46 92 10500 1,8*10-3 1550 0.02 1 ±0,6
MH-D55L110 8 30 55 110 46.5 17 13 33.5 M8 20 46 92 10500 2,0*10-3 1600 0.02 1 ±0,6
MH-D65L80 10 38 65 80 31.5 17 13 18.5 M8 20 110 220 8300 3,8*10-3 2600 0.02 1 ±0,6
MH-D65L90 10 38 65 90 36.5 17 13 23.5 M8 20 110 220 8300 3,8*10-3 2800 0.02 1 ±0,6
MH-D65L110 10 38 65 110 46.5 17 13 33.5 M8 20 110 220 8300 2,0*10-3 3000 0.02 1 ±0,6
MH-D65L130 10 38 65 130 56.5 17 13 43.5 M8 20 110 220 8300 2,0*10-3 3200 0.02 1 ±0,6
MH-D80L90 14 45 80 90 35 20 15 20 M10 40 135 270 7000 1,8*10-3 3200 0.02 1 ±0,6
MH-D80L114 14 45 80 114 47 20 15 32 M10 40 135 270 7000 1,8*10-3 3500 0.02 1 ±0,6
MH-D80L130 14 45 80 130 55 20 15 32 M10 40 135 270 7000 1,8*10-3 3500 0.02 1 ±0,6
MH-D95L126 16 55 95 126 52 22 20 32 M12 75 260 520 6000 3,2*10-3 4600 0.02 1 ±0,6
MH-D95L150 16 55 95 150 64 22 20 44 M12 75 260 520 6000 3,2*10-3 4600 0.02 1 ±0,6
MH-D105L140 19 65 105 140 58.5 23 20 38.5 M12 75 430 860 5500 4,5*10-3 5800 0.02 1 ±0,6

Dibujos