Síguenos
Productos · Productos · Productos · Productos · Productos · Productos · Productos · Productos · Productos · Productos · Productos · Productos · Productos · Productos · Productos · Productos ·

Tornillo de bola tipo brida serie SFU

Inicio · Productos · Tornillo de bola · Tornillo de bola tipo brida serie SFU
Tornillo de bola tipo brida serie SFU

Tornillo de bola tipo brida serie SFU

Los tornillos de bola tipo brida de la serie SFU son componentes de transmisión de precisión convencionales para equipos de automatización. Cuentan con un diseño integrado de brida y tuerca, logrando una conversión de movimiento lineal de alta precisión y alta eficiencia y simplificando significativamente la estructura de instalación. Son ampliamente utilizados en diversos escenarios de automatización industrial.

Tecnología

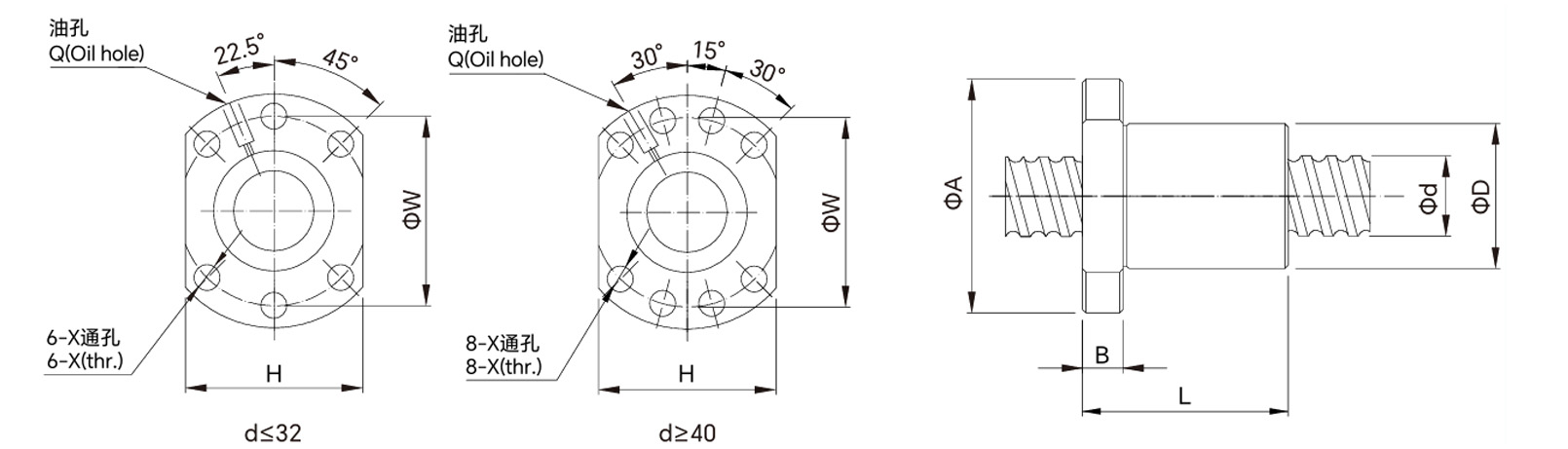
Dimensiones características Tornillos de bolas con brida de la serie SFU Mecanismos convencionales de tornillos deslizantes
Método de montaje El diseño de brida integrado permite el montaje directo con pernos al equipo, simplificando la estructura para una instalación conveniente y segura Normalmente requieren soportes de tuercas adicionales y procedimientos de instalación complejos.
Eficiencia de la transmisión Una eficiencia excepcionalmente alta (85%-98%) requiere un par motor mínimo, lo que supone un importante ahorro de energía Baja eficiencia (generalmente <50%), con importantes pérdidas por fricción.
Precisión del movimiento Logra una transmisión sin reacciones negativas con alta precisión de posicionamiento, excelente repetibilidad y capacidad de respuesta Presenta juego, es propenso a fenómenos de arrastre y ofrece baja precisión.
Rigidez y capacidad de carga La precarga mejora la rigidez axial; la estructura de la brida mejora la estabilidad de montaje y la capacidad de carga Rigidez moderada con capacidad de carga limitada.
Vida útil Desgaste mínimo por fricción de rodadura, con una vida útil que supera varias veces a la de los tornillos deslizantes Desgaste rápido debido a la fricción por deslizamiento, lo que resulta en una vida útil corta.
Rendimiento en movimiento Funcionamiento suave sin vibraciones, lo que permite aplicaciones de alta velocidad y microalimentación Propenso a arrastrarse a bajas velocidades, con bajo rendimiento a alta velocidad.

Parámetros técnicos principales
Rango de especificación: Los diámetros estándar del eje varían de Φ12 mm a Φ100 mm, y el cable varía de 4 mm a 20 mm, lo que satisface diversas necesidades, desde ajustes finos hasta movimientos rápidos.

Clase de precisión: La precisión estándar suele ser C7, un nivel de precisión económico suficiente para la mayoría de los requisitos de equipos de automatización.

Estructura de la tuerca: diseño de circulación interna común, lo que da como resultado una estructura más compacta y un menor ruido de funcionamiento. Algunos modelos utilizan una tuerca en forma de cintura o una válvula de retorno de metal para mejorar el rendimiento.

Configuraciones opcionales: Se admite el mecanizado personalizado del efector final (por ejemplo, fresado de chaveteros, taladrado) y se puede combinar con bases de soporte estándar (series BK/BF, FK/FF, etc.) para proporcionar soluciones completas.

Escenarios de aplicación: Con las ventajas anteriores, la serie tipo brida SFU es ideal para los siguientes campos:

Automatización Industrial General: Líneas de producción automatizadas, maquinaria de montaje y módulos de manipulación de materiales. Equipos CNC y Láser: Máquinas de corte por láser, máquinas de grabado, ejes de alimentación de máquinas herramienta CNC de tamaño pequeño y mediano.

Instrumentos de precisión: Maquinaria de impresión, equipos de medición, plataformas de precisión de laboratorio.

Otros campos: robótica, equipos semiconductores, dispositivos médicos y otras aplicaciones que requieren un movimiento lineal preciso.

El tornillo de bola tipo brida de la serie SFU es una solución de transmisión rentable que integra alta precisión, alta eficiencia, larga vida útil y fácil instalación. Su diseño robusto y confiable lo convierte en una opción universalmente preferida por los ingenieros que buscan mejorar el rendimiento y la confiabilidad de los equipos.

Parámetros

Modelo No. d Yo Da Dimensión Clasificación de carga Rigidez Peso
D A B L W H X Q n Ca(kgf) Coa(kgf) Kgf/um Kg
SFU1204-3 12 4 2.381 22/24 42 8 35 32 30 4.5 M5 1x3 902 1884 26 0.138
SFU1604-4 16 4 2.381 28 48 10 40 38 40 5.5 M6 1x4 973 2406 32 0.184
SFU1605-3/4 5 3.175 28 48 10 42/50 38 40 5.5 M6 1x3/4 1380 3052 32 0.19
SFU1610-2/3 10 3.175 28 48 10 44/57 38 40 5.5 M6 1x2/3 1103 2401 26 0.22
SFU2004-4 20 4 2.381 36 58 10 42 47 44 6.6 M6 1x4 1066 2987 38 0.294
SFU2005-3/4 5 3.175 36 58 10 44/51 47 44 6.6 M6 1x3/4 1551 3875 38 0.316
SFU2010-2/3 10 3.175 36 58 10 44/60 47 44 6.6 M6 1x4/3 1551 3875 38 0.32
SFU2504-4 25 4 2.381 40 62 10 42 51 48 6.6 M6 1x4 1180 3795 43 0.384
SFU2505-3/4 5 3.175 40 62 10 44/51 51 48 6.6 M6 1x3/4 1724 4904 45 0.35
SFU2510-3/4 10 4.762 40 62 12 70/85 51 48 6.6 M6 1x3/4 2954 7295 50 0.484
SFU3204-4 32 4 2.381 50 80 12 44 65 62 9 M6 1x4 1296 4838 51 0.658
SFU3205-4 5 3.175 50 80 12 52 65 62 9 M6 1x4 1922 6343 54 0.588
SFU3210-3/4 10 6.35 50 80 12 74/90 65 62 9 M6 1x3/4 4805 12208 61 0.832
SFU4005-3/4 40 5 3.175 63 93 14 45/55 78 70 9 M8 1x4 2110 7988 63 0.97
SFU4010-3/4 10 6.35 63 93 14 74/93 78 70 9 M8 1x3/4 5399 15500 73 1.246
SFU5005-4 50 5 3.175 75 110 16 55 93 85 11 M6 1x4 6004 19614 85 1.82
SFU5010-4 10 6.35 75 110 16 93 93 85 11 M8 1x4 6004 19614 85 1.82
SFU05020-4 20 7.144 75 110 16 138 93 85 11 M8 1x4 7142 22588 94 2.674
SFU6310-4 63 10 6.35 90 125 18 98 108 95 11 M8 1x4 6719 25358 99 2.576
SFU6320-4 20 9.525 95 135 20 149 115 100 13.5 M8 1x4 11444 36653 112 4.888
SFU8010-4 80 10 6.35 105 145 20 98 125 110 13.5 M8 1x4 7346 31953 109 9.016
SFU8020-4 20 9.525 125 165 25 154 145 130 13.5 M8 1x4 12911 47747 138 9.016
SFU10020-4 100 20 9.525 150 202 30 180 170 155 17.5 M8 1x4 14303 60698 162 10

Dibujos



Admite selección de combinación de productos