Síguenos
Productos · Productos · Productos · Productos · Productos · Productos · Productos · Productos · Productos · Productos · Productos · Productos · Productos · Productos · Productos · Productos ·

Carcasa de tuerca de aluminio serie BSG/DSG

Hogar · Productos · Acoplamiento / Carcasa de tuerca · Carcasa de tuerca de aluminio serie BSG/DSG
Carcasa de tuerca de aluminio serie BSG/DSG

Carcasa de tuerca de aluminio serie BSG/DSG

La carcasa de tuerca de aluminio de la serie BSG/DSG es una carcasa de tuerca de husillo de bolas mecanizada con precisión a partir de una aleación de aluminio de alta resistencia. Su función principal es actuar como un puente estandarizado, asegurando de manera confiable diferentes modelos de tuercas de husillo de bolas (como las series SFU y SFS) a la mesa de trabajo o al deslizador del equipo. Gracias a su diseño liviano, alta rigidez y excelente disipación de calor, esta serie es particularmente adecuada para equipos de automatización, robots e instrumentos de precisión que requieren alta velocidad, alta aceleración y baja inercia.

Tecnología

Características principales y ventajas.

Guía de análisis y selección de dimensiones clave
Según la tabla de parámetros que proporcionó, las dimensiones de instalación del núcleo se ilustran utilizando un modelo típico como ejemplo.

Características Soportes para tuercas de aluminio de la serie BSG/DSG Soportes tradicionales de acero caseros Resumen de los valores fundamentales
Material y peso Fabricado con aleación de aluminio de alta resistencia (p. ej. 6061-T6), estos soportes son extremadamente livianos y reducen efectivamente la inercia de las piezas móviles. Por lo general, están hechos de acero al carbono y son relativamente pesados. Mejora significativamente la velocidad de respuesta dinámica y reduce el consumo de energía del variador.
Facilidad de instalación Listo para instalar. Con orificios de montaje estándar (por ejemplo Dimensiones P, W, Y) y una superficie de referencia de centrado, no requieren mecanizado ni ajuste in situ, lo que reduce significativamente el tiempo de montaje. Requieren diseño, mecanizado, taladrado y roscado internos, lo que implica un proceso engorroso y dificulta la alineación. El diseño estandarizado simplifica la integración y garantiza la precisión y consistencia del montaje.
Precisión y rigidez Mecanizado de precisión con estrictas tolerancias geométricas y posicionales en superficies de contacto críticas (orificio D, base H), lo que garantiza una alineación precisa de la tuerca, una instalación segura y sin tensión residual. La precisión del mecanizado depende del equipo y la habilidad de los maquinistas, lo que lo hace propenso a errores que pueden afectar la vida útil y la precisión del tornillo de avance. Preserva el rendimiento inherente del sistema de tornillo de avance, con pérdida cero de precisión de transmisión.
Disipación de calor y resistencia a la corrosión La aleación de aluminio ofrece una excelente disipación del calor, lo que ayuda a eliminar el calor durante el funcionamiento. La superficie suele estar anodizada para brindar resistencia a la corrosión y un acabado atractivo. La disipación del calor es lenta y son susceptibles a la oxidación, lo que requiere un tratamiento superficial adicional. Mejora la estabilidad operativa a largo plazo y se adapta a una gama más amplia de entornos.
Mantenimiento y compatibilidad Diseñado para modelos de tuercas específicos (por ejemplo SFU1616) con 100% compatibilidad. Se puede sustituir directamente en caso de daño, lo que garantiza un mantenimiento sencillo. Como están hechos a medida para equipos específicos, carecen de versatilidad y su reemplazo requiere remanufactura. Reduce el inventario de repuestos y los costos de gestión, al tiempo que facilita el mantenimiento.

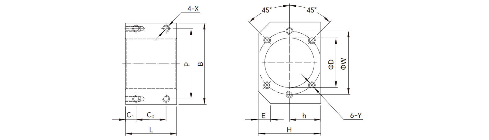
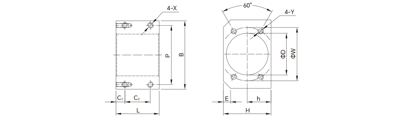
Modelo Tornillos de avance coincidentes Dimensiones del orificio de montaje del núcleo Aspectos destacados del diseño
BSG1616 SFU1616, etc. P=45 mm (espaciado de los orificios de montaje principales), W=42 mm (espaciado de los orificios de montaje laterales), Y=M4 (rosca lateral) Se logra una fijación bidireccional confiable a través de dos orificios en la parte inferior (P) y dos orificios en los lados (Y), lo que evita que la tuerca gire.
DSG16H SFU1605/1610/1616 P=40 mm, W=38 mm, Y=M5 El diseño en forma de ‘H’ suele ser compatible con tuercas de varios tonos, lo que ofrece una mayor versatilidad. La brida E de 12 mm proporciona una referencia de alineación precisa.

Método de selección de tres pasos:
1. Confirme la tuerca: determine la forma y las dimensiones de instalación de la tuerca de husillo de bolas que está utilizando (correspondiente al valor "D" en la tabla).
2. Haga coincidir el modelo: según el modelo de tuerca, busque el modelo de carcasa de tuerca que coincida perfectamente en la tabla (por ejemplo, la tuerca SFU1616 coincide con la carcasa BSG1616).
3. Verifique el espacio: verifique las dimensiones generales (B, H, L) y las posiciones de los orificios de montaje (P, W) de la carcasa de la tuerca para garantizar suficiente espacio de instalación en su equipo.

Aplicaciones
La carcasa de tuerca de aluminio de la serie BSG/DSG es el socio ideal para lograr un movimiento lineal preciso en los siguientes equipos:
Robots industriales: Instalación de tuercas de husillo de bolas para juntas robóticas y séptimo eje lineal (riel de tierra).
Automatización de alta gama: plataformas de movimiento XY para equipos de embalaje de semiconductores, máquinas de colocación SMT y máquinas de corte por láser de precisión.
Instrumentos de precisión: Módulos de posicionamiento de alta precisión para equipos de pruebas biológicas, plataformas de ajuste óptico e impresoras 3D.
Cualquier escenario que requiera una conversión eficiente y precisa del par del servomotor rotatorio en movimiento lineal.

La carcasa de tuerca de aluminio de la serie BSG/DSG es mucho más que un simple "bloque de fijación" Es un componente de optimización de movimiento cuidadosamente diseñado que integra un diseño liviano, alta rigidez, fácil instalación y estandarización. Elegir la serie BSG/DSG significa elegir un método de integración eficiente, confiable y profesional que no solo mejore el rendimiento dinámico y la precisión de su equipo, sino que también reduzca significativamente los costos generales desde el diseño hasta el ensamblaje, lo que lo convierte en una opción inteligente para la fabricación de equipos de precisión modernos.

Parámetros

Modelo No. Modelo emparejado D B H h E L C1 C2 P X W Y
BSG1616 1616 32 55 40 20 6 27 6 15 45 M4 42 M4
BSG2020 2020 39 66 47 23.5 8 35 7 20 56 M5 50 M5
BSG2525 2525 47 80 55 27.5 9 34 7.5 20 68 M6 60 M6
BSG3232 3232 58 95 66 33 10 55 10 35 82 M8 74 M8

Modelo No. Modelo emparejado D B H h E L C1 C2 P X W Y
DSG12H 1204
1205
1210
22.1
24.1
50 35 15 / 36 6 24 35 M5 32 M4
DSG16H 1605
1610
1616
1620
28 52 40 20 12 40 8 24 40 M5 38 M5
DSG20H 2005
2010
2020
36 62 44 22 12 40 8 24 48 M6 47 M6
DSG25H 2505
2510
2520
2525
40 66 48 24 13 40 8 24 50 M6 51 M6
DSG32H 3205
3210
3220
3232
50 86 62 31 17 40 8 24 66 M8 65 M8
DSG40H 4005
4010
4020
4040
63 100 70 35 19 40 8 24 80 M8 78 M8
DSG50H 5010
5020
5050
75 116 85 42.5 22 46 10 26 92 M8 93 M8

Dibujos